- Главная
- Водоснабжение
- Автоматика для насоса
- PID регулятор давления насоса с функцией управления частотным преобразователем и RS-485
PID регулятор давления насоса с функцией управления частотным преобразователем и RS-485
- Обзор
- Характеристики
- Отзывы0
- Настройка
- Видеоинструкции
Самая профессиональная версия контроллера давления "Политех". PID, PI, линейное регулирование, управление однофазным насосом в режиме СТАРТ/СТОП. Система стабильного давления в системе водоснабжения, отслеживание данных и доведение команд по сети RS-485 MODBUS. Подходит для систем, где используются 3ф асинхронные насосы (220В и 380В), а также однофазные асинхронные насосы в режиме СТАРТ/СТОП с гидроаккумулятором. Может быть использован как дистанционный датчик давления с передачей данных по сети RS-485 MODBUS.
Контроллер ПолиТех с PID регулятором подходит для систем водоснабжения с высокими требованиями к поддержанию давления в системе, "системы стабильного давления", а так же подойдет для
- управления системами водоснабжения с использованием частотного преобразователя/для управления каскадом из 2 насосов (ПЧ+реле с сухими контактами),
- для работ в системах с большим количеством потребителей (поселки, многоквартирные дома),
- для управления системами полива в тепличных хозяйствах,
- управления насосами повышения давления в ЖКХ,
- частным пользователям с высокими требованиями к стабильности давления,
- компрессорного оборудования для поддержания точного давления воздуха,
- поддержания стабильного давления в системах обратного осмоса и системах водоочистки.
Возможна интеграция с внешней системой "умный дом" (RS-485 MODBUS).
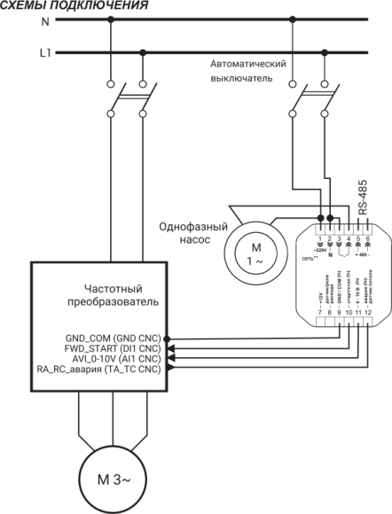
Подходит для управления: трехфазными насосами через частотный преобразователь, однофазными и трехфазными насосами через твердотельное реле (режим старт/стоп), а также через "сухие контакты" напрямую или с помощью электромагнитного контактора.
ВНИМАНИЕ! При использовании контроллера без частотного преобразователя в режиме СТАРТ/СТОП необходимо использование гидроаккумулятора. Рекомендуем воспользоваться калькулятором для подсчета объема гидроаккумулятора (основная страница на сайте). При использовании однофазного насоса подключение второго каскадного насоса невозможно!
Контроллер осуществляет управление частотным преобразователем через аналоговый выход 0-10В и сигнал управления СТАРТ/СТОП, имеет дополнительное многофункциональное силовое реле с сухими контактами, интерфейс для подключения внешних датчиков:
- импульсные датчики протока
- бистабильные датчики протока
- датчики протечки/аварийного отключения.
Изделие предназначено для контроля давления в не агрессивных не горючих средах: холодная и горячая вода, незамерзающие теплоносители, сжатый воздух, инертные газы, изделие работает в слабосоленой воде на установках обратного осмоса.
ВНИМАНИЕ! Запрещается использовать прибор на трубопроводах с горючими газами, бензо- и масло- проводах, магистралях сжиженного газа.
Система PID-регулятор-ПЧ-насос позволяет создать т.н. "систему стабильного давления" с быстрым выходом на заданный параметр (уставку). По умолчанию применены следующие коэффициенты:
P_P = 2
P_I = 1,5
P_d = 1
P_t=0,2
На один прибор можно подключать до 2 насосов (1- основной - управление через ПЧ, 2 -дополнительный/резервный насос в каскаде через сухие контакты). Резервный насос подключается через сухие контакты. Резервный насос мощностью более 1,5 кВт рекомендуется подключать через пускатель или твердотельное реле, менее- можно напрямую к контроллеру (3,4 клеммы), нагрузочная способность контактов 16А резистивной нагрузки - 7А индуктивной нагрузки. Реле может быть запрограммировано на выполнение следующих функций:
- управление однофазным насосом через электромагнитный пускатель/прямое подключение насоса
- второй каскадный насос
- оповещение о пониженном давлении в системе
- оповещение о превышении давления в системе
- оповещение об аварии
Контроллер давления накапливает статистическую информацию о времени работы насоса, об объеме перекачанной воды (при наличии импульсного датчика протока). Имеется развитая система таймеров и защит от режима "сухого хода", работы при пониженном давлении, превышения давления в системе, защита от частых запусков/остановок, превышения допустимой продолжительности непрерывной работы и т.д.
Товар сертифицирован! Сертификат соответствия № ЕАЭС RU C-RU.HB26.B.01097/20 серия RU № 0253910.
Таблица подбора по артикулу блока управления насосом ПолиТех
| Параметры |
Обозначения |
Значение параметра |
| Тип корпуса |
М |
Манометрический (в трубопровод) |
| Тип внешнего управления |
ПчС |
PID-регулирование с преобразователь частоты, твердотельное реле, насосы с режимом старт/стоп, подключение до 2 насосов, RS-485 MODBUS интерфейс |
| Монтажная резьба |
3/8" |
Резьба монтажного порта 3/8" |
| 1/2" |
Резьба монтажного порта 1/2" |
|
| М20 |
Резьба монтажного порта М20/1,5 |
|
| Максимальное рабочее давление |
1М |
Максимально рабочее давление 1 МПа |
| 2М |
Максимально рабочее давление 2 МПа |
|
| 4М |
Максимально рабочее давление 4 МПа |
|
| Электрическое подключение |
220/24В |
Подключение на 220В/Подключение на 24В |
Пример: КД-М-ПчС-1/2-1М-220
КД-М - контроллер в манометрическом корпусе для управления насосом через частотный преобразователь, монтаж на трубу, насос или ресивер, резьба 1/2", максимальное рабочее давление 1МПа, напряжение 220В
Таблица подбора артикула датчика расхода/реле ПолиТех
| Параметры | Обозначения | Значение параметра |
| Тип датчика | Д | Датчик потока |
| Р | Реле потока | |
| Материал | П | Пластик |
| Л | Латунь | |
| Н | Нержавеющая сталь | |
| Монтажная резьба (вход) | 1/2" | Резьба монтажного порта 1/2" |
| 3/4" | Резьба монтажного порта 3/4" | |
| 1" | Резьба монтажного порта 1" | |
| 1-1/4" | Резьба монтажного порта 1-1/4" | |
| 1/1/2" | Резьба монтажного порта 1/1/2" | |
| 2" | Резьба монтажного порта 2" | |
| Тип резьбы | В | Внутренняя резьба |
| Н | Наружная резьба | |
| Монтажная резьба (выход) | 1/2" | Резьба монтажного порта 1/2" |
| 3/4" | Резьба монтажного порта 3/4" | |
| 1" | Резьба монтажного порта 1" | |
| 1-1/4" | Резьба монтажного порта 1-1/4" | |
| 1/1/2" | Резьба монтажного порта 1/1/2" | |
| 2" | Резьба монтажного порта 2" | |
| Тип резьбы | В | Внутренняя резьба |
| Н | Наружная резьба |
Пример: ДР-Д-Л-3/4-Н-3/4-Н
Датчик расхода из латуни с наружной резьбой 3/4
| Напряжение питающей сети | 220В |
| Функциональность | Расширенный |
| Плавный пуск насоса | через ПЧ |
| Плавная остановка насоса | через ПЧ |
| Электрическое подключение | Без кабеля |
| Максимальное рабочее давление | 1МПа (10АТМ) |
| Монтажная резьба | 1/2" |
| Гарантия, лет | 2 |
| Страна | Россия |
| Гарантия производителя | Да |
| Степень пылевлагозащиты, IP | IP65 |
| Производитель | Политех |
| Тип регулирования | PID, PI, LIN, ON/OFF, ручное, монитор |
| Возможность подключения каскада насосов | Есть |
| Датчики протока | импульсный датчик, бистабильный датчик |
| Датчики протечки | Есть |
| Подключаемые насосы | 3Ф и 1Ф насосы |
| Сетевой протокол | RS-485 MODBUS |
| Сбор статистики | Есть |
| Многофункциональное программируемое реле | Есть |
| Меню ошибок | Есть |
| Таймеры режима работы насоса | Есть |
| Подключаемая нагрузка | ПЧ, твердотельное реле, контактор, насос до 1,5кВт |
PID регулятор давления насоса с функцией управления частотным преобразователем и RS-485 отзывы
Средняя оценка покупателей:(0)
| 0 | ||
| 0 | ||
| 0 | ||
| 0 | ||
| 0 |
Настройка ПИД регулятора (краткие/основные):
1. Задаем уставку и верхний предел давления. Верхний предел – предел аварийного отключения контроллера. Уставка – желаемое давление в системе, которое необходимо поддерживать постоянно. В настройках уставка – слева (MIN), давление аварийного отключения (MAX)-справа.
** Если разница между уставкой и давлением аварийного отключения слишком мала, возможен повторяющийся сброс PI/PID в 0. Рекомендуем разницу не делать слишком маленькой.
2. Установить MIN и MAX значения выходного сигнала. Позволяет убрать «мертвый участок» в нижней части рабочей характеристики насосов. По умолчанию 20%-100%. Обычно эффективная работа насосов начинается от 50% их паспортной скорости вращения.
3. Выбрать режим управления - PID.
4. Проставить коэффициенты P, I, D. Коэфициенты по умолчанию:
P_P = 2
P_I = 1,5
P_d = 1
P_t=0,2
Работа PI и PID регуляторов описывается формулой:
PID (t) — Функция ПИД
PI (t) — Функция ПИ
P — пропорциональная составляющая
I — интегральная составляющая
D — дифференциальная составляющая
e (t) – текущая ошибка
Kp — пропорциональный коэффициент (P_P)
Ki — интегральный коэффициент (P_I)
Kd — дифференциальный коэффициент (P_d)
DT — дельта времени (P_t).
PID(t) = P (t) + I (t) + D (t);
P (t) = Kp * e (t);
I (t) = I (t — 1) + Ki * e (t) * DT;
D (t) = Kd * (e (t) — e (t — 1))/DT;
PI(t) = P (t) + I (t);
P (t) = Kp * e (t);
I (t) = I (t — 1) + Ki * e (t) * DT;
5. Максимальное время непрерывной работы насоса t12 – по умолчанию – 60 минут, если используете полив - выключить (OFF).
6. При использовании вместе с контроллером датчика потока – поставить DIG, ввести константу импульс/литр соответствующую датчику (зависит от диаметра датчика).
7. В контроллере имеется функция автоматического сброса ошибок – если нет возможности приехать на объект, либо доступ к месту установки затруднен.
PID, PI, линейное регулирование, управление однофазными и трехфазными насосами с помощью преобразователя частоты. Стабильное давление в системе водоснабжения, отслеживание данных и доведение команд по сети RS-485 MODBUS.
0:33 обзор меню
1:13 меню основных настроек
1:16 сброс ошибок
1:32 установка давления
1:56 min и max значение выходного сигнала
2:18 выбор режима работы
2:40 изменение пропорциональных коэффициентов PID
3:00 режим полива T12 максимальное время работы насоса
3:18 время реакции на низкое давление T10
3:30 сброс статистики
3:40 отключение протокола Modbus RS-485
3:51 включение и логика работы резервного насоса
4:45 меню дополнительных настроек
4:53 датчик расхода
5:13 константа импульсного датчика
5:23 датчик протечки
5:40 выбор единиц измерения
6:00 минимальное время работ насоса T11
6:40 пользовательский 0 давления
7:07 пользовательская коррекция давления
7:15 настройка объема воды откачиваемого за 1 запуск
7:34 время между паузами запуска
8:06 автоматический сброс ошибок
8:30 режим подсветки дисплея
8:35 возвращение к заводским настройкам
- Статья_Новые функции КД-М-ПЧС.pdf 8.81 МБайт
- Modbus - таблица адресов.xls 38.00 Кбит
- Конфигуратор Modbus.rar 1.06 МБайт
- Инструкция КД-PID А4 На печать ПОЛИТЕХ.pdf 4.70 МБайт
- PID-регулятор инструкция ПОЛИТЕХ.pdf 8.37 МБайт
- Сертификат соотвествия КД 17.11.2025-16.11.2030.pdf 3.95 МБайт Товар сертифицирован! Сертификат соответствия № ЕАЭС RU С-RU.НЕ24.В.03567/25




















